物资采购 EMATERIAL PROCUREMENT

重庆市中涪南热电有限公司捞渣机张紧轮询价采购公告

发布时间:2025-11-26 16:35:26 浏览量:63 来源:

一、项目名称

重庆市中涪南热电有限公司捞渣机张紧轮询价采购

二、项目简介及交货地点

(一)项目介绍

重庆市中涪南热电有限公司捞渣机张紧轮采购。

(二)交货地点

重庆市中涪南热电有限公司生产厂区内

三、报价人资质要求

(一)中华人民共和国境内注册的企业法人。

(二)法定代表人为同一个人的两个及两个以上法人或母公司、全资子公司及其控股公司,只能有一家参与报价

(三)公司应有良好的财务状况和商业信誉,被纳入失信被执行人名录,或纳入黑名单的企业法人,不能参与此次报价

(四)行业内经营具有良好业绩和信誉,具备二家及以上同类型捞渣机备件供货的业绩证明

四、采购方式

询价采购

五、评审方法

最低价格法

六、供货期限

合同签订后20日内

七、报价文件的组成

(一)报价人应按招标文件中的规定提供所有资料

1、营业执照复印件;

2、报价函(加盖鲜章);

3、业绩证明(供货合同、发票等能证明相关业绩的资料);

4、报价单位认为与本次采购的相关资料(生产资质、业绩证明等)。

(二)报价文件需用文件袋密封,开口处帖密封签加盖公司鲜章,未密封的报价一律视为无效报价。

八、报价文件提交地点及联系人

地点:重庆市中涪南热电有限公司

联系人:唐一心;联系电话:15803698986

九、报价方式

以现场提交或快递的方式,提交给指定联系人。

十、报价截止时间

2025年12月2日12:00

十一、询价比选时间

我司根据工作安排,适时组织需求、采购、纪检等相关部门召开询价比选会议。有意向参加现场比选会议的供应商,请于报价截止日前向我司联系人进行登记。

十二、报价说明

各报价单位需一次性报出最低价格,报价文件报价截止时间前递交到指定联系人处,逾期递交报价文件视为主动放弃报价资格。报价需注明厂家、供货周期、税率、付款方式等,报价文件附联系人及联系方式。

、其他

关于上诉说明,若存在表述不清之处,可咨询我司联系人。

 

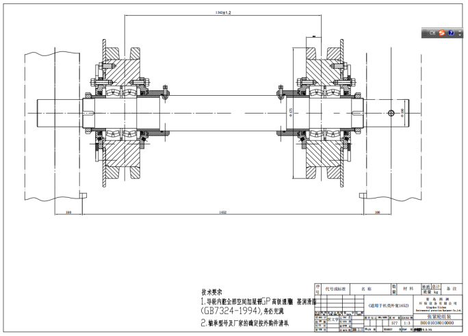
附件一:项目技术规格、数量及质量要求

附件二:张紧轮组装图纸

附件二:报价明细表


附件

编号

物资名称

规格型号

技术质量要求

单位

数量

备注

1

张紧轮

B010103801000


1

捞渣机

 

 

 

 

 

 

 

 

 

 

 

 

 

 

 

 

 

 

 

 

附件二

image.png 


附件三

报价明细表

报价日期:____年__月__日

有效期:自报价日起___天

一、报价方信息

供应商名称(盖章):________________________

统一社会信用代码:________________________

联系人:________________ 联系电话:________________

二、采购方信息

采购单位名称:________________________

联系人:________________联系电话:_______________  

三、物资明细清单

序号

物资名称

单位

数量

单价

总价

厂家






























合计






价税合计总金额:                税率___%

本报价含税费、运输费用及其他与本项目相关的费用。

质量保证:按现行国家标准执行,质保期___年

交货及验收:按采购方要求送货至指定地点,按现行国标进行验收,并满足甲方入厂化验验收标准